產品中心
新聞資訊
EPSON晶振包裝規格與*小包裝數量詳解
點擊下載完整版:EPSON晶振包裝說明
(PDF格式;283kb)
EPSON 目前提供SMD貼片封裝和DIP插件式和圓柱型兩種安裝方式的產品。其中DIP又分為圓柱體(主要是音叉晶振)以及耐焊接熱式長引腳式。SMD晶振更適合 SMT高效率表面貼裝,尺寸也可以做的更小,因此無論從目前的市場需求以及精工·愛普生原廠現有規格型號來看,貼片晶振已經占據了絕大部分,插件式主要集 中在部分圓柱體音叉晶體諧振器和其他少量型號中。
作為無可爭議的晶體晶振,EPSON石英晶振產品線完整,規格型號繁多。電 子工程師以及采購商在設計選項和購買時對包裝規格與*小包裝數量(*小訂單量)咨詢的較多。作為愛普生晶振原廠直接授權代理商,南京南山技術部整理了 EPSON頻率元件完整產品線的包裝信息,僅供參考。如有疑問,歡迎垂詢在線客服。
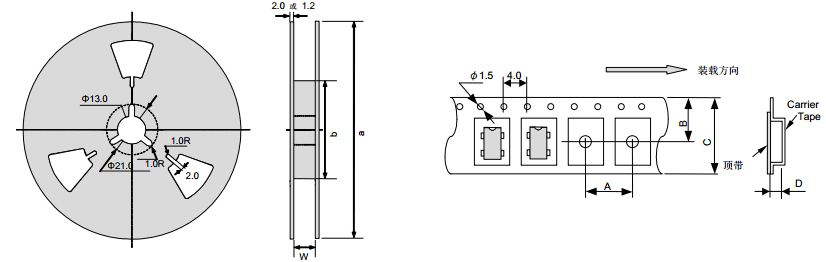
一、貼片晶振包裝說明:
如下表所述;符合卷帶標準EIA-481 和 IEC-60286

二、圓柱體晶振包裝說明:
柱面式產品用乙烯袋包裝,每批包含250到1000件。
然后,將1到20袋裝入內盒以組成一批。
后,將內盒放入紙箱以便裝運。(質量隨型號的變化而變化。)
| 型號 | *小包裝數量 | 包裝說明 |
| C-2 TYPE C-4 TYPE C-002RX C-004R C-005R CA-301 HTS-206 |
500pcs | ![]() |
三、耐焊接熱DIP晶振包裝說明:
| 型號 | *小包裝數量 | 包裝說明 |
| SG-531 SG-8002DC |
35件/管 | ![]() |
| SG-51 SG-8002DB RTC-72421 RTC-7301DG |
25件/管 |
- 上一篇:晶體晶振使用注意事項
- 下一篇:實時時鐘模塊最小包裝數量與公差一覽表
常見問題
-
2020-10-10愛普生晶振樣品-EPSON貼片晶振樣品免費申請
-
2020-10-10愛普生晶振樣品-EPSON貼片晶振樣品免費申請
-
2020-10-10無源晶振不起振的解決辦法
-
2020-10-10EPSON/愛普生晶振編碼規則與型號識別
-
2020-10-10愛普生電子元器件都生產哪些產品
-
2020-10-10精工愛普生陀螺儀傳感器簡介
相關產品



終端請點